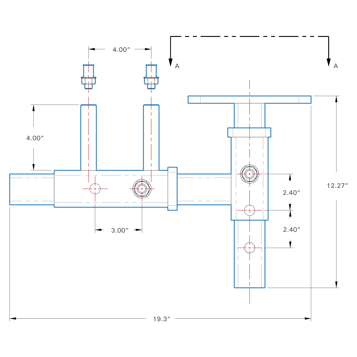
This accessory is designed for 48" x 30" and 60" x 30" Rhino Carts and is also compatible with MAX and MAX Slotted tables.
To mount it underneath the Rhino Cart tabletop, pull out the slag trays and secure the accessory under the tabletop using the included flush mount screws. This creates a stable and firm platform for mounting your equipment.
Accommodates a three or four-hole mounting base pattern.
* TXH8022 is not compatible with TXV5-4-K.


